医療法人 湖青会

ようこそ医療法人湖青会・社会福祉法人湖青福祉会へ 滋賀県大津市

 
  情報掲載していただきました

 
HOME»  社会福祉法人 湖青福祉会のご案内

社会福祉法人 湖青福祉会のご案内

社会福祉法人 湖青福祉会 理念

社会福祉法人 湖青福祉会 理念

 

私たちはおひとりおひとりのご利用者様に
福祉・介護・医療の総合サービスを提供することにより
”笑顔のあるくらし”が実現できるようお手伝いすることで社会貢献します。

 

施設一覧

沿革

平成14年7月 社会福祉法人湖青福祉会設立。
平成15年9月 大津市見世一丁目17-1に
「ケアタウンからさき介護老人福祉施設」
「ケアタウンからさき短期入所生活介護」
「ケアタウンからさきヘルパーステーション」
「ケアタウンからさきデイサービスセンター」
「ケアタウンからさきケアハウス」
「ケアタウンからさき居宅介護支援センター」を開設
平成17年4月 甲賀市甲賀町大原中1161番地に
「高齢者グループホームかふかの里」
「かふかの里デイサービスセンター」を開設
現在に至る

 

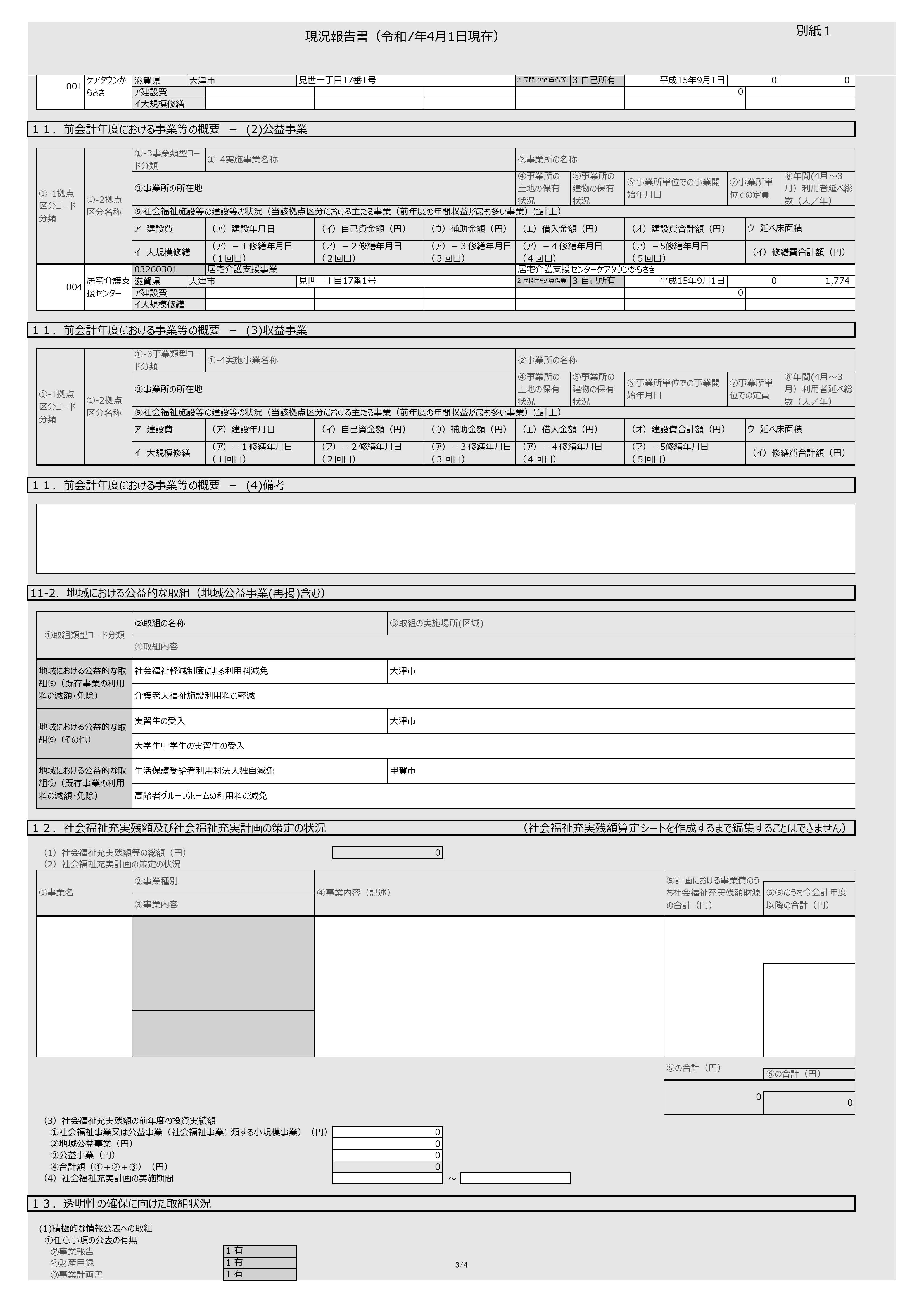
現況報告書

法人定款

定款

 

 

 

役員等報酬規程

役員等名簿

役員等名簿 

 

 

 

お知らせ

公告   

 

 

 

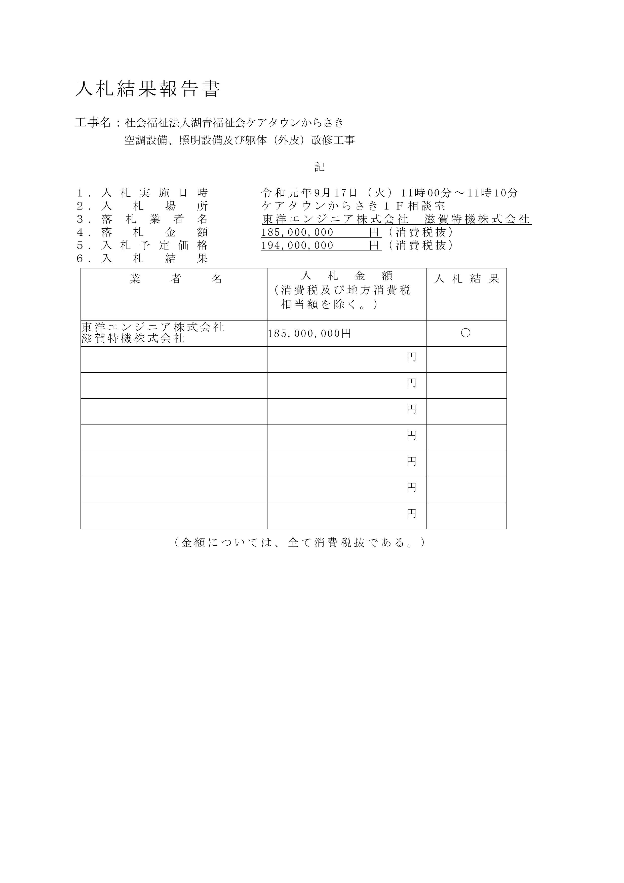
入札結果